ย้อนกลับ
INTOUCH PRODUCS
PRODUCTS
FORCE GEAR
ABB
SIEMENS
Dmax
CONTACT US CONTACT US
SUPERVISION
INTOUCH PRODUCS
PRODUCTS
FORCE GEAR
ABB
SIEMENS
Dmax
CONTACT US CONTACT US
SUPERVISION
INTOUCH PRODUCS
>
PRODUCTS
>
FORCE GEAR
>
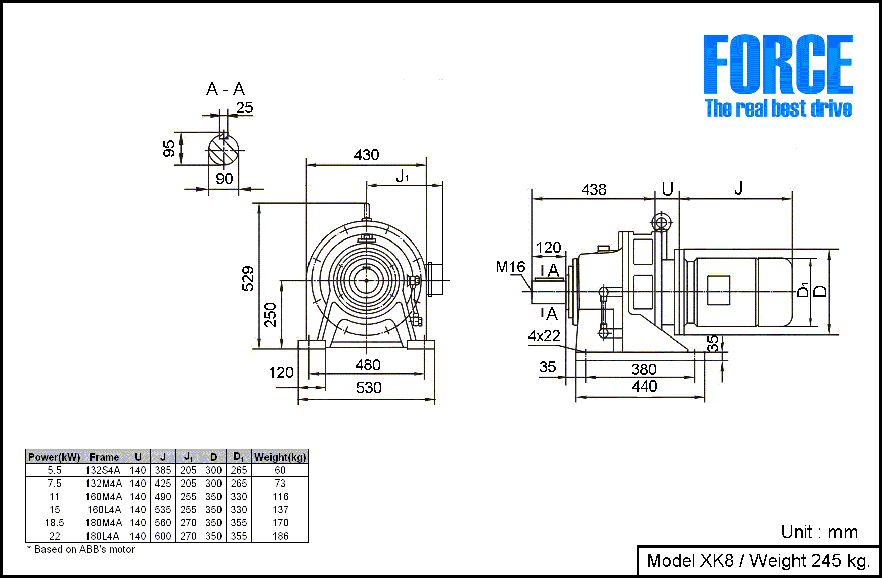
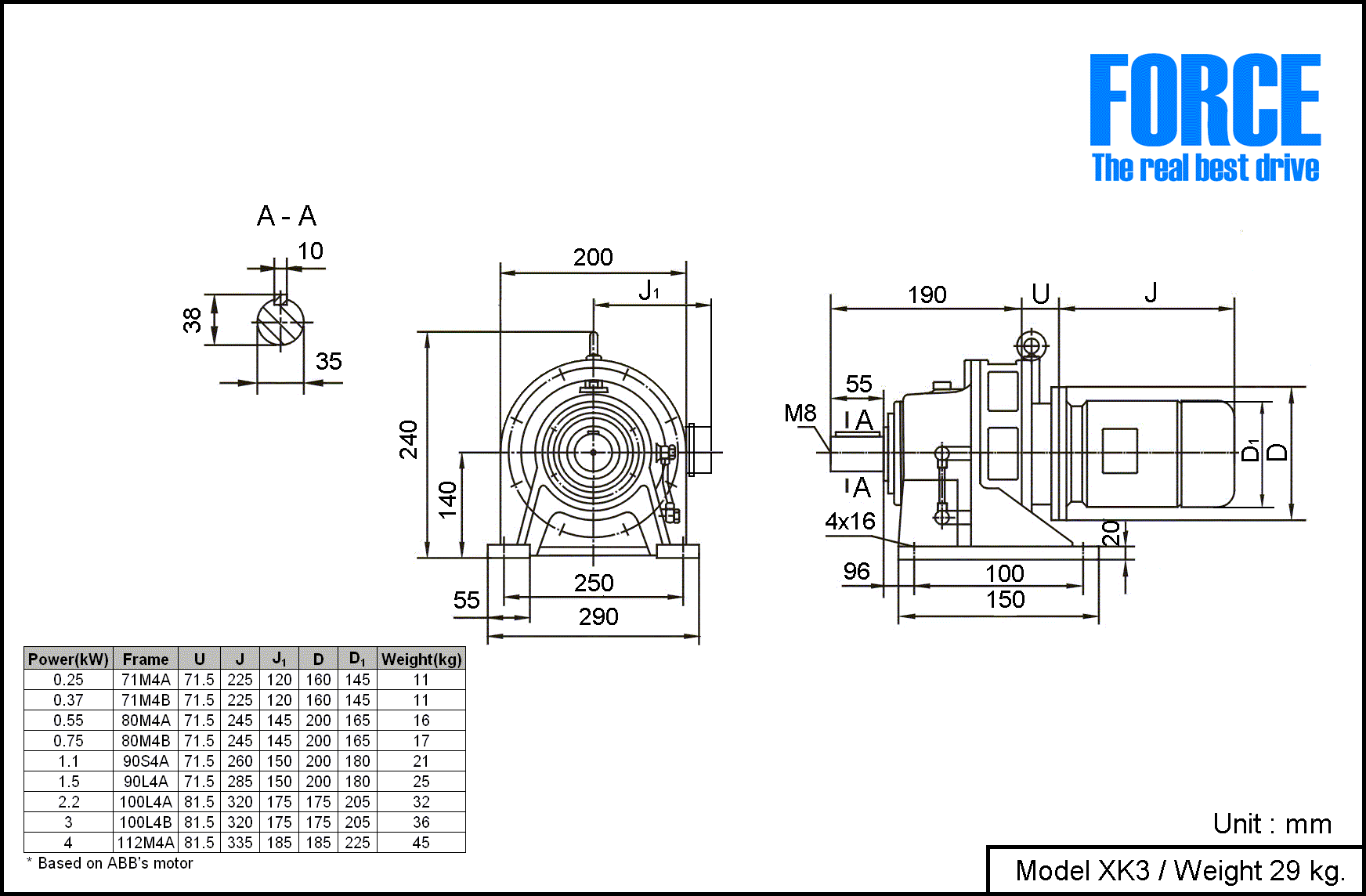
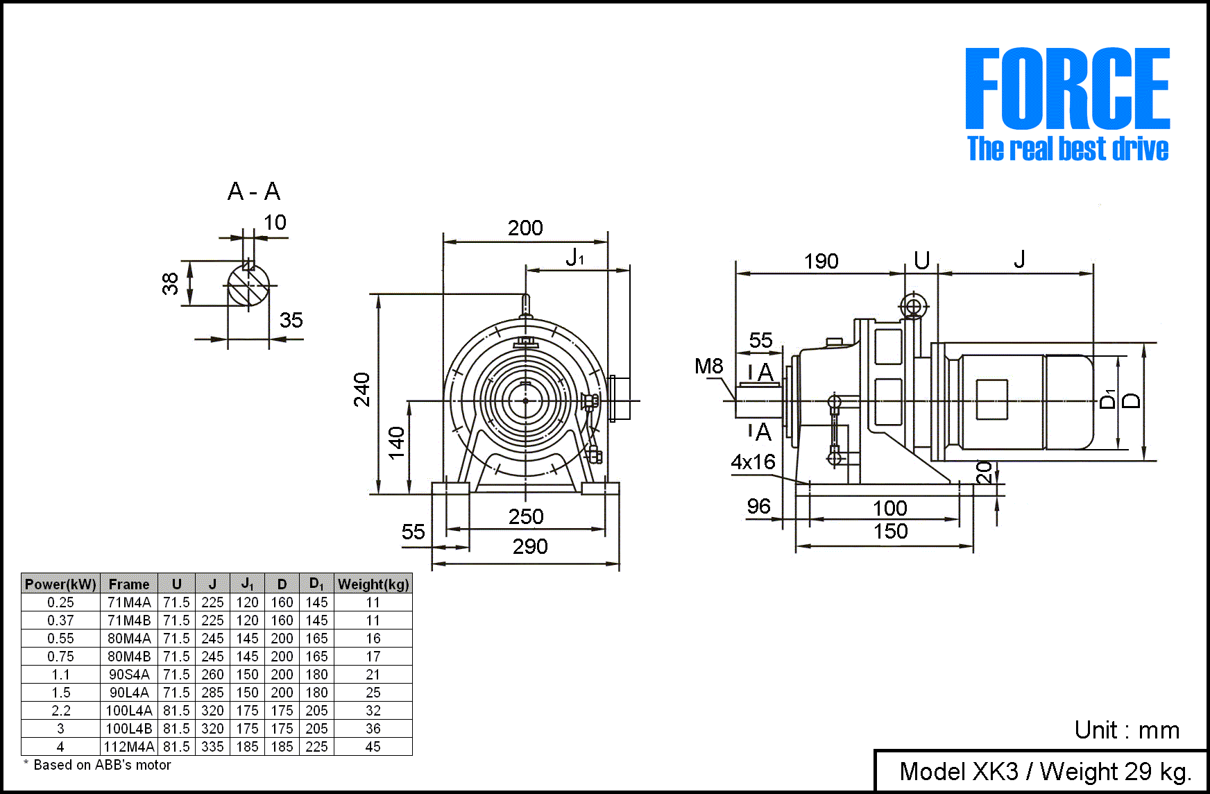
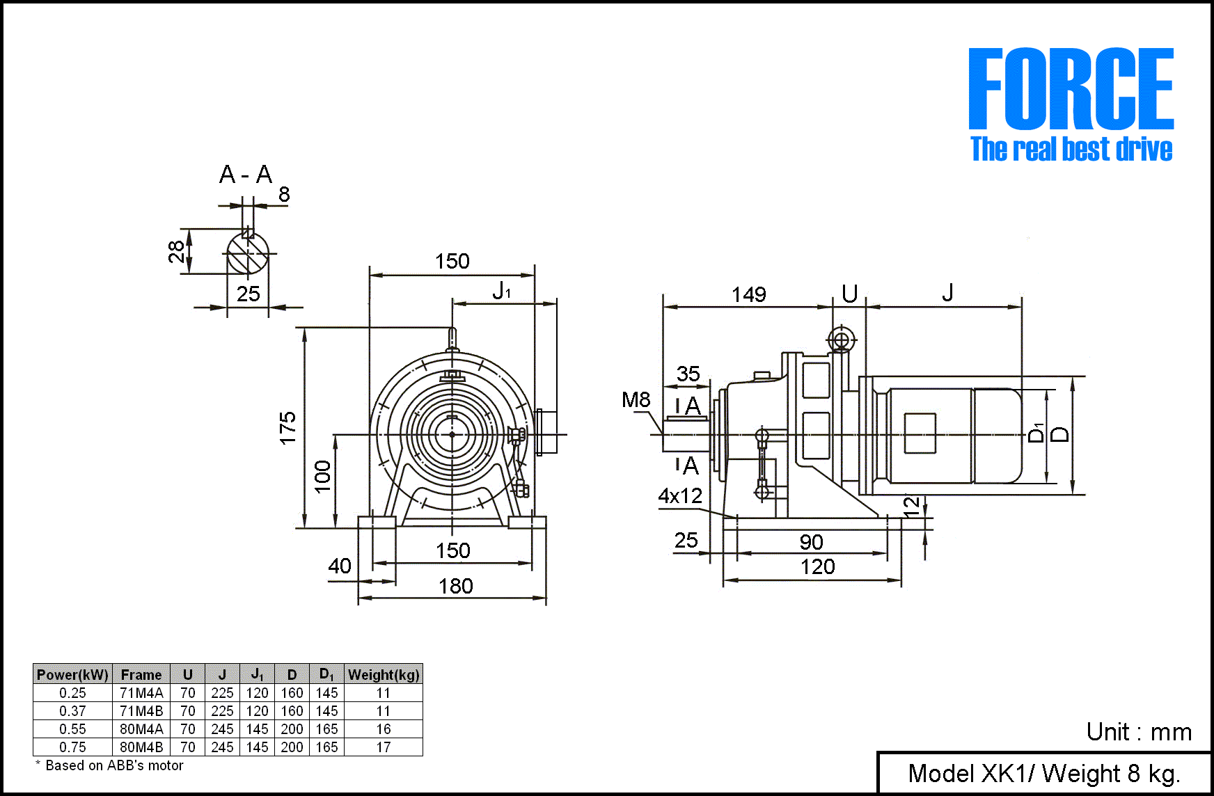
DOWNLOAD DRAWING SINGLE STAGE HORIZONTAL
DOWNLOAD DRAWING SINGLE STAGE HORIZONTAL
Tags:
drawing gear force b3
Downlad Drawing Single Stage Gear FORCE B3
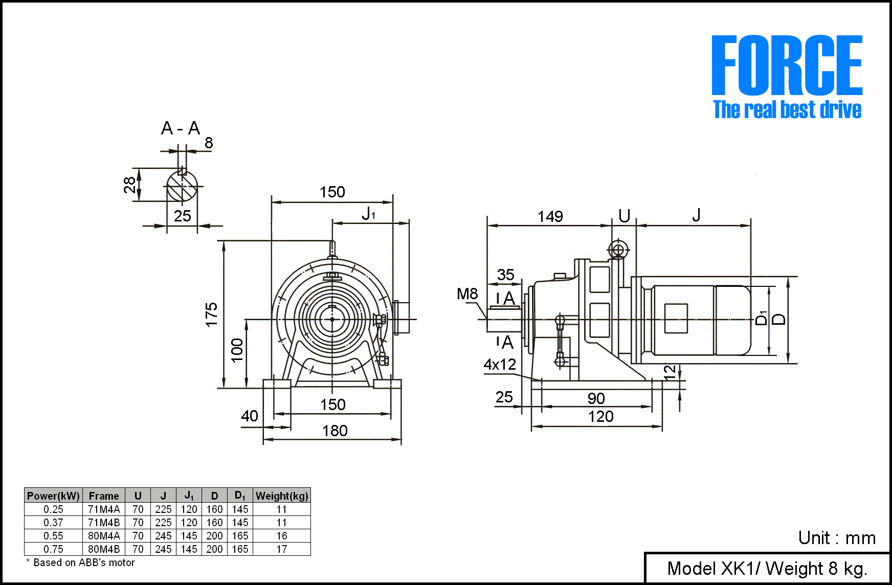
XK1.gif
86.51 K
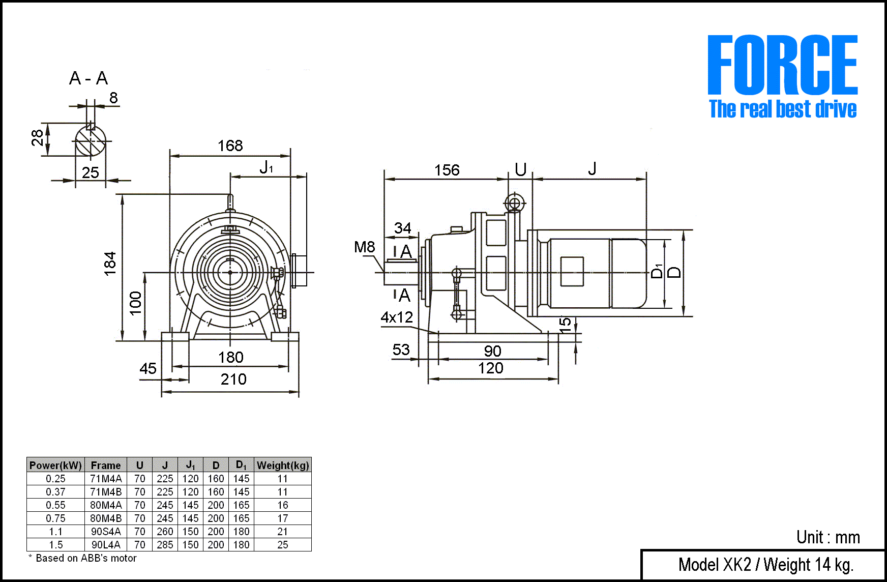
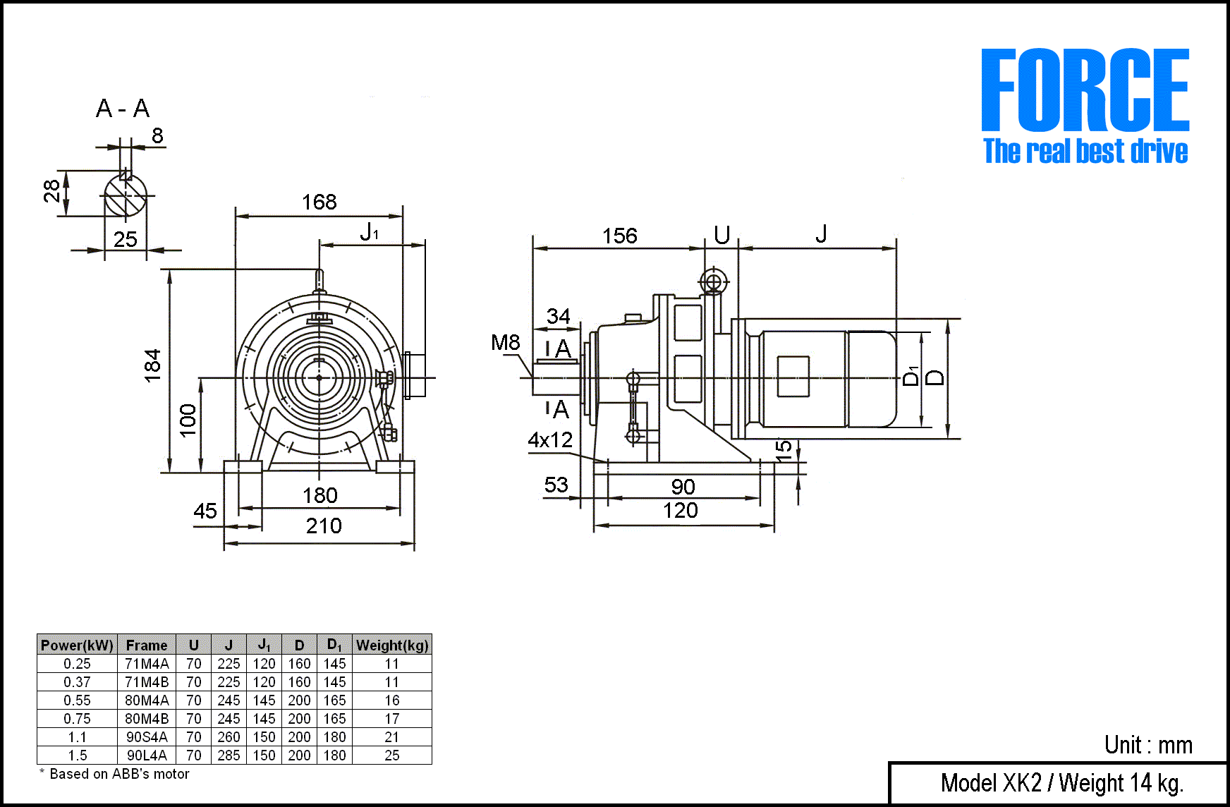
XK2.gif
89.39 K
XK3.gif
92.78 K
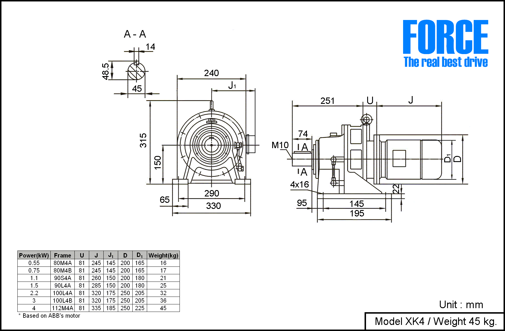
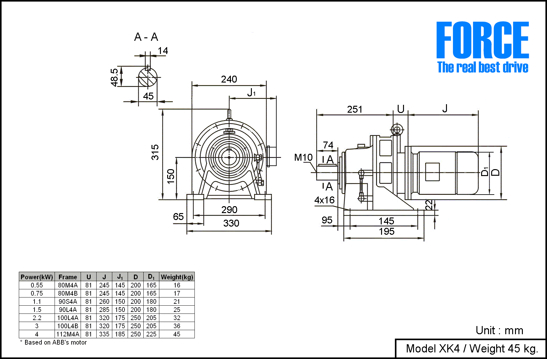
XK4.gif
90.80 K
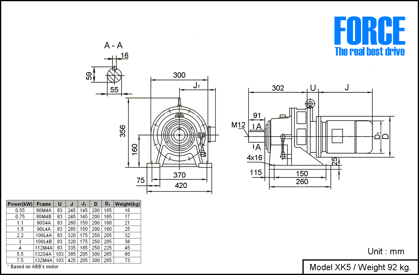
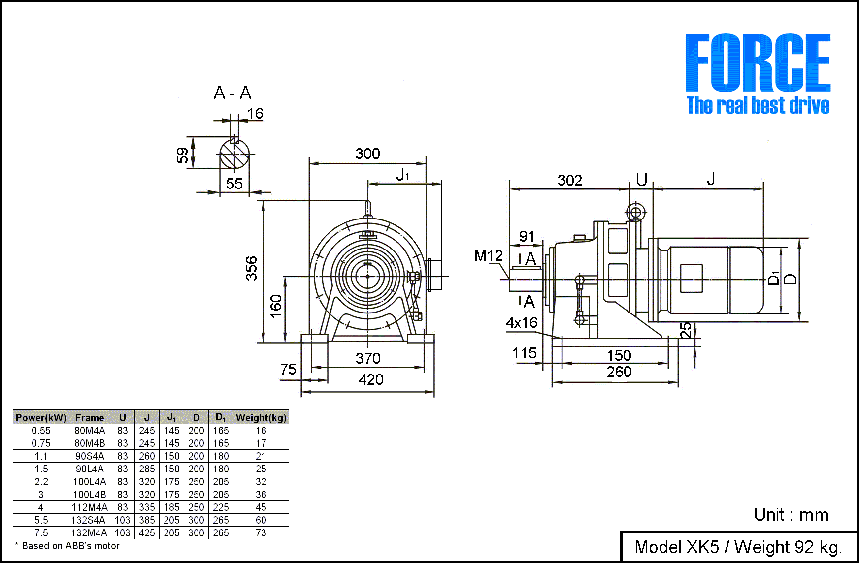
XK5.gif
93.08 K
XK6.gif
90.81 K
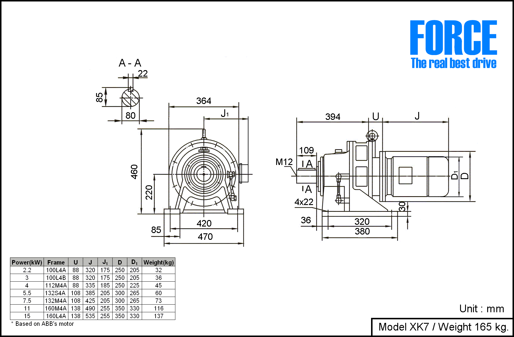
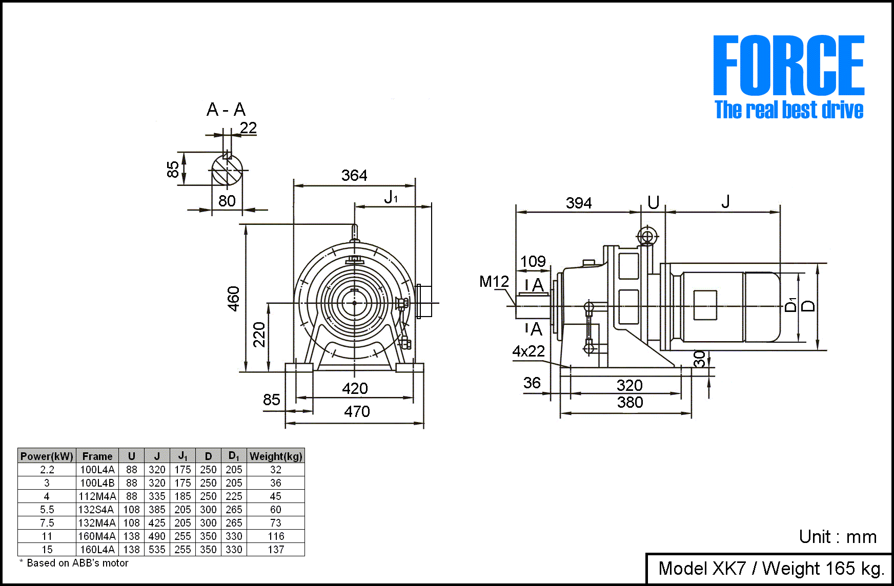
XK7.gif
90.77 K
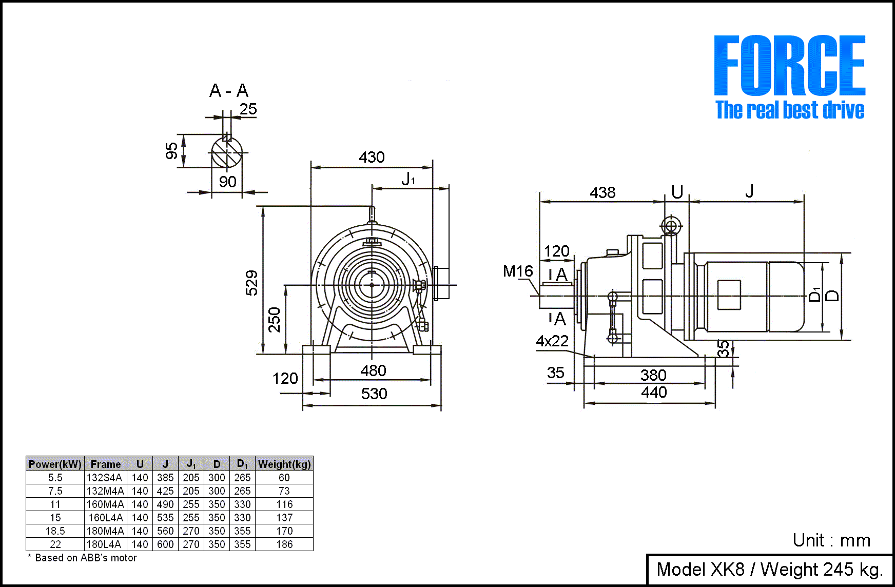
XK8.gif
90.03 K
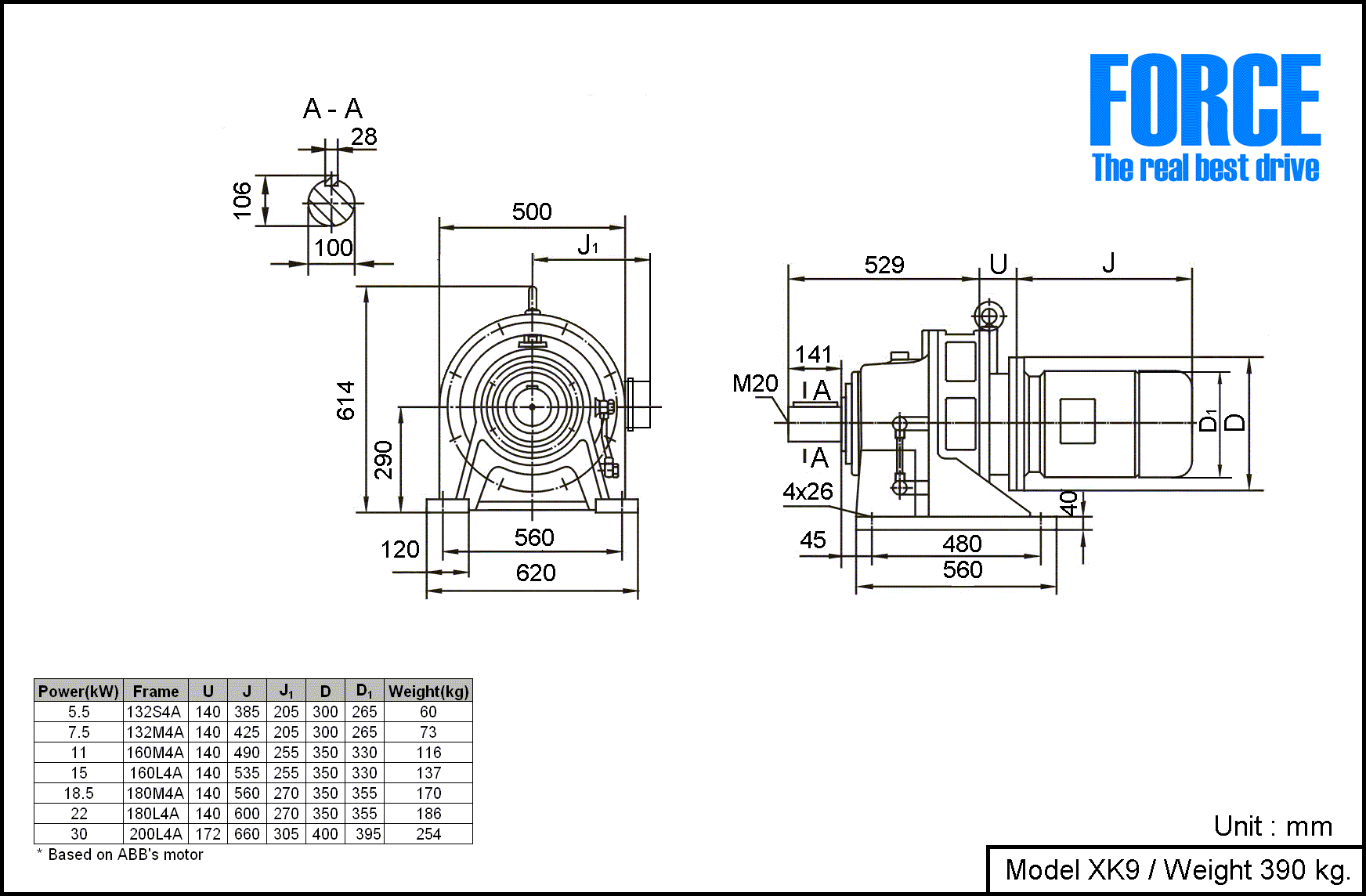
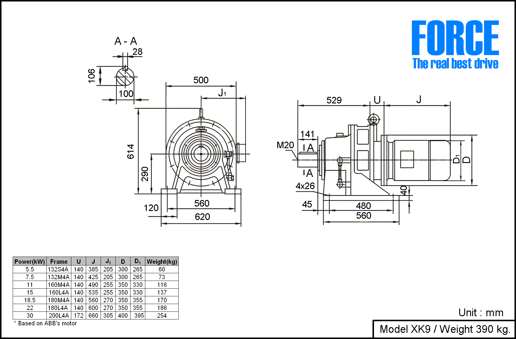
XK9.gif
91.80 K
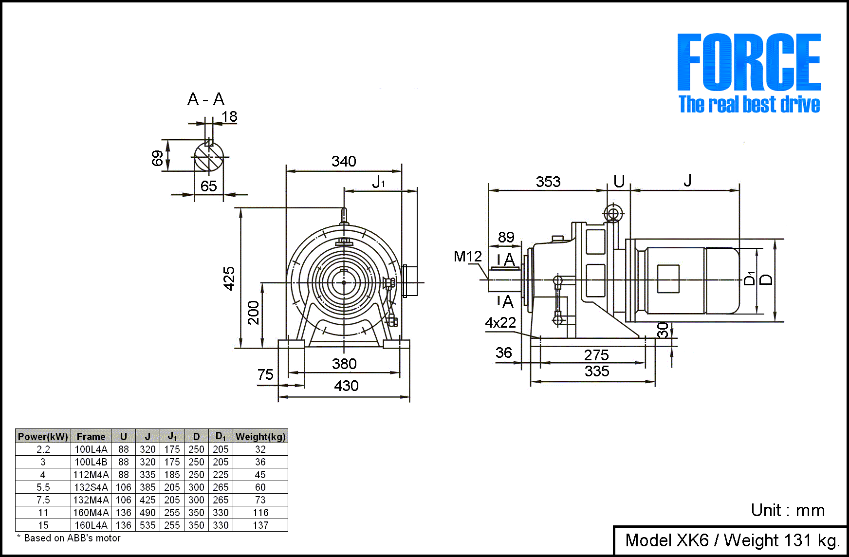
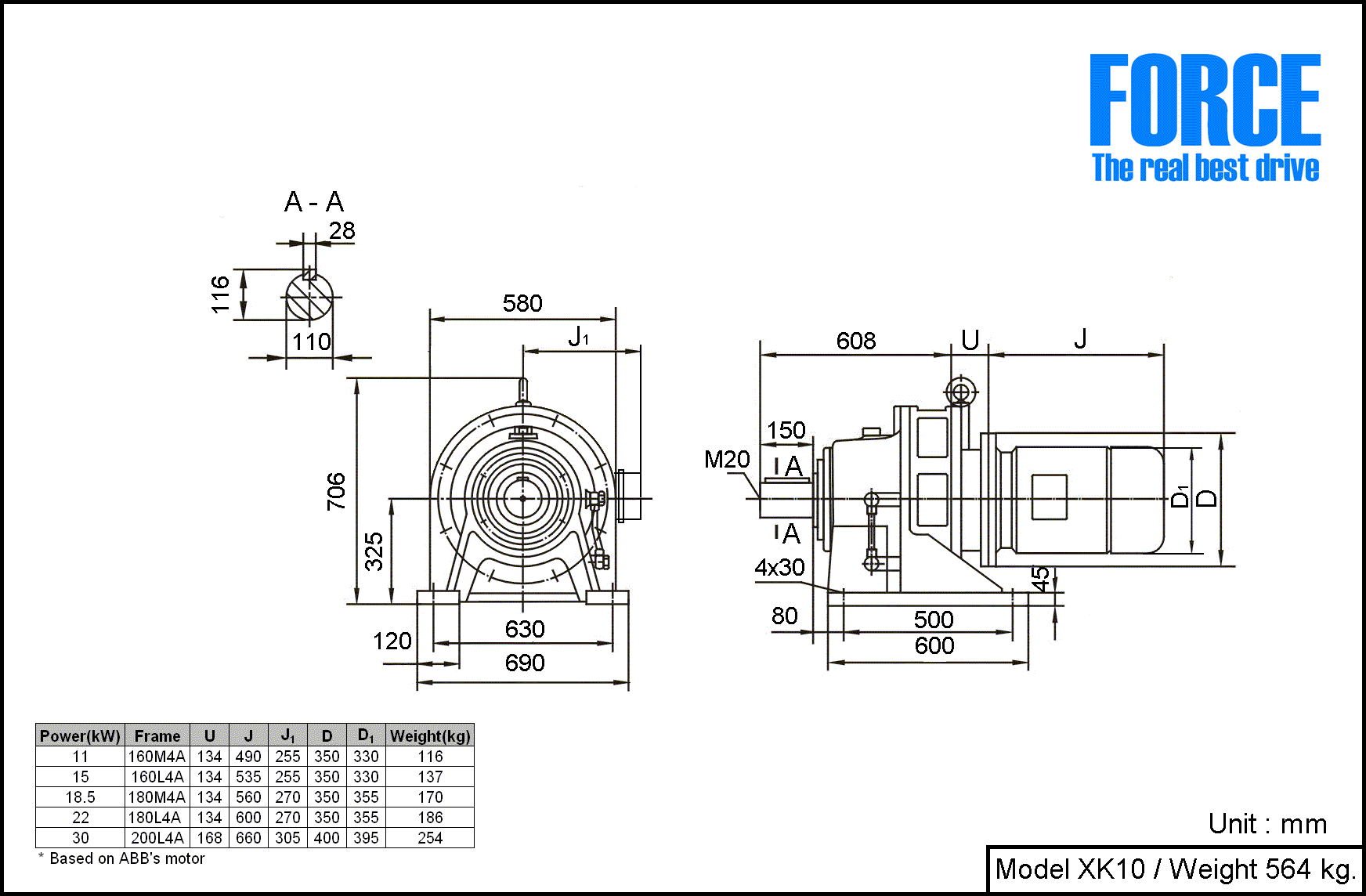
XK10.gif
88.63 K
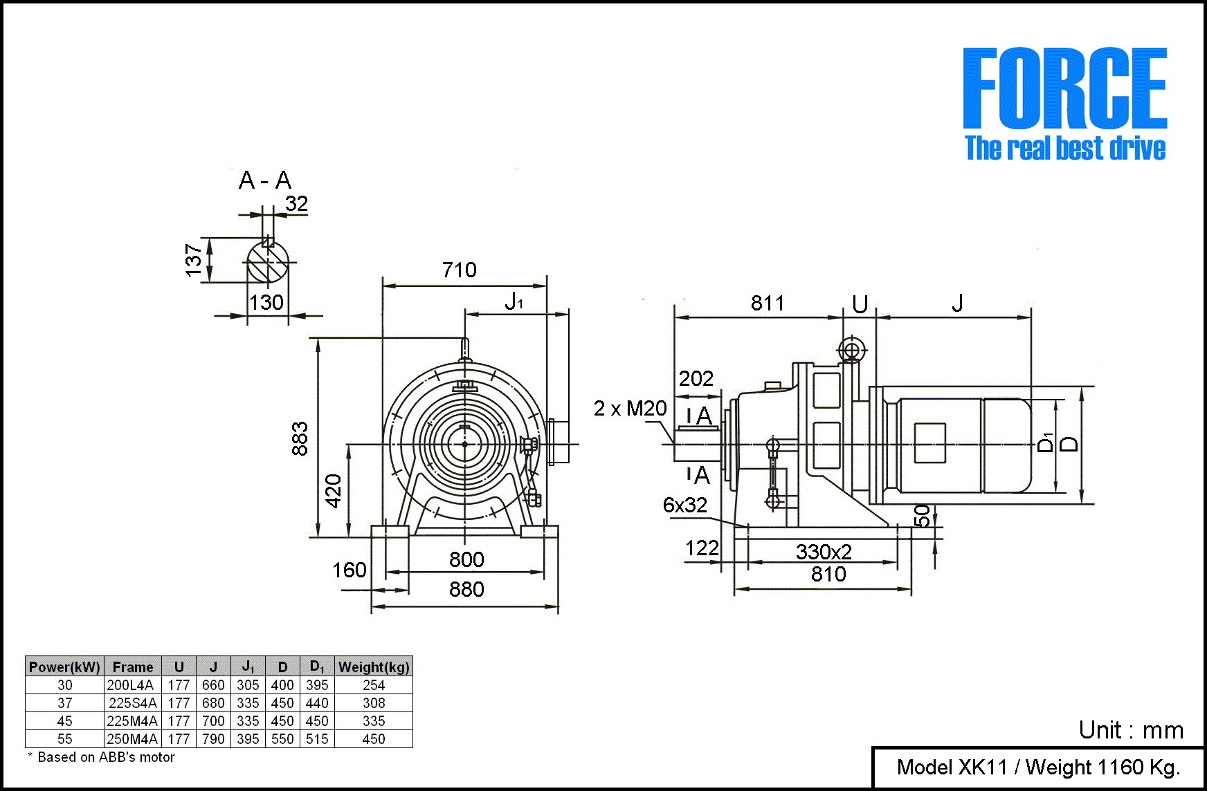
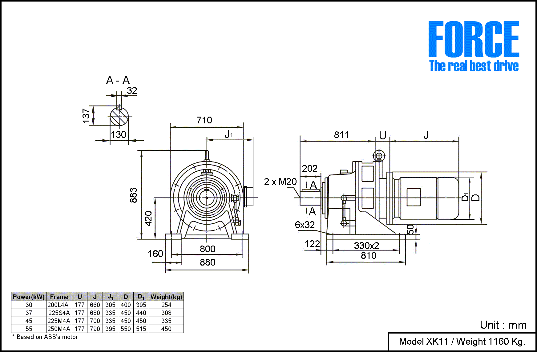
XK11.gif
87.36 K
Visitors:
21,051